Products
Precision NC Machining
  • Precision NC MachiningPrecision NC Machining
  • Precision NC MachiningPrecision NC Machining
  • Precision NC MachiningPrecision NC Machining
  • Precision NC MachiningPrecision NC Machining

Precision NC Machining

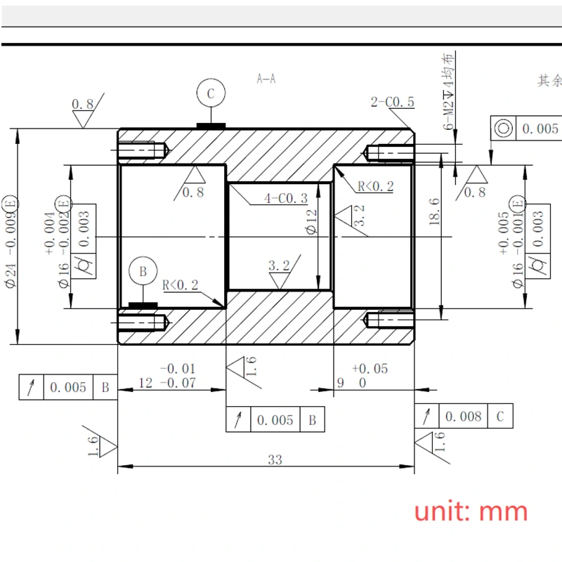
Sanluo Precision is a professional manufacturer and supplier of precision NC machining in China. Its main purpose is to research and apply precision NC machining technology. It is the leader in the precision component manufacturing industry and provides professional customized NC machining services for customers, supporting the customization of complex and difficult parts. The company's precision processing cannot be achieved without the guarantee of equipment, processes, environment, personnel, etc. It has always pursued the highest precision and provides core components for high-end equipment manufacturing.

Precision processing technology system

Sanluo Precision Factory has a well-developed precision NC machining technology system. The turning accuracy is IT6, the roundness is 0.002mm, and the coaxiality is 0.005mm. The milling accuracy is IT7 level, the flatness is 0.01mm, and the positional accuracy is 0.015mm. The grinding accuracy is IT5 level, the cylindricality is 0.001mm, and the surface roughness is Ra0.2μm. Through the combination of precision turning, precision milling, precision grinding, and precision boring processes, micro-metric processing accuracy is achieved. In terms of temperature control environment guarantee, there is a constant temperature workshop, with the temperature controlled at 20±0.5℃ and the humidity controlled at 50±5%RH. The foundation of the machine tools is treated with vibration isolation to reduce external vibrations. Before processing the workpieces and tools, they are pre-set at a constant temperature to eliminate the influence of temperature differences. Thus, the precision processing accuracy is not affected by the environment, and the batch production is also consistent.


Workstation Accuracy

dimensional accuracy

L(X)

W(Y)

H(Z)

SH

SW

unit:±/mm

0.005

0.002

0.001

0.005

0.005

Geometric accuracy

flatness

parallelism

perpendicularity

roughness

symmetry

unit:±/mm

0.002

0.003

0.005

Ra0.8

0.005

production capacity

1~999999 pcs

1~999999 pcs

1~999999 pcs

1~999999 pcs

1~999999 pcs

production cycle

3-20 days

3-20 days

3-20 days

3-20 days

3-20 days


Error compensation technology

As a professional precision CNC machining manufacturer, Sanluo Precision Company adopts online measurement technology in precision nc machining. The machine tools are equipped with laser probes and trigger probes. During the machining process, the dimensions of the workpiece can be measured in real time, and the compensation for tool wear and thermal deformation can be automatically carried out based on the measurement results. The company has mastered many error compensation technologies. Through the compensation of machine tool geometric errors, systematic errors such as the straightness of the guide rails and the vibration of the spindle are eliminated. Thermal error compensation is adopted, and the thermal deformation is corrected in real time using the data from temperature sensors. The company has provided tens of thousands of customized NC machining services for precision industries such as optics, medicine, and metrology, with a qualification rate of precision above 99.5%.


Equipment technical parameters

Parameter Categories

Parameter Details

Device Model

JDSGT400 Linear Motor Driven Three-Axis High-Speed Machining Center

Core Positioning

Designed for sub-micron ultra-high precision processing, suitable for precision medical components

Drive System

All three axes are driven by dual linear motors

Key Accuracy

Repeatability positioning accuracy: 0.8 µm; Hole position accuracy < 1 µm within 100mm range

Core Technology

Integrates direct drive, temperature control, and self-developed JD60 CNC system features for precise machining and high-precision servo drive system

Core Advantages

Strives to achieve outstanding results of "surface is functional surface", with extremely high precision and stability

Typical Applications

Used in precision NC machining fields such as precision optical molds, semiconductor parts, and high-precision structural components with strict requirements for dimensions and surface quality


Parameter Categories

Parameter Details

Equipment Model

GENOS L2000-e (Mx380)

Core Positioning

High rigidity turning and milling combined processing

Number of Axes

Three axes (with C-axis)

Processing Capacity

Maximum machining diameter:Φ200 mm, maximum workpiece length: 380 mm

Main Axis System

Spindle speed: 5,000 rpm, main motor power: 15/11 kW

Tool Tower System

V12 VDI tool turret, 12 stations

Motion Performance

X/Z axis rapid movement speed: 25/30 m/min

Power Tools

M axis motor spindle speed: 6,000 rpm

Numerical Control System

OSP-P300LA-e

Core Advantages

The knife tower employs a three-piece clutch, combined with the NC servo tool changing system, to ensure high positioning accuracy and stability.

Typical Applications

Precision, precision NC machining, components, etc.


Precision NC MachiningPrecision NC Machining

Precision NC MachiningPrecision NC Machining


Hot Tags: Precision NC Machining, China, Manufacturer, Supplier, Factory
Send Inquiry
Contact Info
For inquiries about our products or pricelist, please leave your email to us and we will be in touch within 24 hours.
X
We use cookies to offer you a better browsing experience, analyze site traffic and personalize content. By using this site, you agree to our use of cookies. Privacy Policy
Reject Accept